The Fundamentals of RF Power Dividers and Combiners
Contributed By DigiKey's North American Editors
2019-08-28
The rise of wireless connectivity requirements for applications such as Internet of Things (IoT), cellular, and automotive electronics is resulting in systems that are increasingly using RF signals, components, and subsystems. Often, designers need to direct these signals to more than a single destination or to combine multiple signals. However, combining or splitting signals can be problematic as designers need to ensure signal routing without degradation due to impedance mismatches or loading, all while maintaining critical size and cost requirements.
This need to divide or combine signals between multiple inputs or outputs is met by the RF power divider or combiner. These useful devices perform these tasks while maintaining the proper load impedances to all sources as well as providing isolation.
This article provides the fundamentals of three commonly used types of RF power divider/combiners: resistive, hybrid, and Wilkinson, using examples from Susumu, Anaren, MACOM, and Analog Devices. It discusses their specifications and common applications enabling designers to make intelligent device selection, including implementation considerations.
Power dividers
A power divider has a single input signal and two or more output signals. The output signals have a power level that is 1/N the input power level where N is the number of outputs in the divider. The signals at the outputs, in the most common form of power divider, are in phase. There are special power dividers that provide controlled phase shifts between outputs. Common RF applications for power dividers, as mentioned previously, direct a common RF source to multiple devices (Figure 1).
Figure 1: Power dividers are used to split a common RF signal to multiple devices such as in a phased array antenna system or in a quadrature demodulator. (Image source: DigiKey)
The first example is a phased array antenna where the RF source is split between the two antenna elements. Antennas of this type classically have two to eight or more elements, each of which is driven from a power divider output port. Phase shifters are generally external to the divider to allow for electronic control to steer the field pattern antenna.
The second example is a quadrature demodulator that requires a local oscillator be delivered to two mixers that demodulate the RF carrier into the in-phase (I) and quadrature (Q) modulation components. The 90° phase shift required to demodulate the Q signal can be external as shown or can be internal to the power divider. In both cases the signal power levels are equal.
The power divider can be run “backwards” so that multiple inputs can be combined into a single output making it a power combiner. In combiner mode these devices are capable of performing vector addition or subtraction of signals based on their amplitude and phase values.
Power divider topology
When trying to split a signal into two reduced amplitude components, the designer might consider simply using a “tee” connection by placing two loads on a common source (Figure 2).
Figure 2: A basic tee connection can split a signal into two components with equal amplitudes and the same phase but has several limitations. (Image source: DigiKey)
The configuration will work but is subject to a couple of limitations. The most obvious is impedance mismatch. If both outputs (ports 2 and 3) feed into 50 ohm (Ω) loads, then the input port (port 1) is presented with a load of 25 Ω. If the input source is a 50 Ω device, then this represents a loading problem. The second problem is the lack of isolation. If for instance one of the outputs was short circuited, the other port is also shorted.
There are three main circuit topologies for power dividers that eliminate the limitations of a tee connection. The three topologies are resistive, hybrid, and Wilkinson (Figure 3). The Wilkinson and hybrid dividers are in a class of dividers referred to as reactive dividers.
Figure 3: Simplified schematics of the three common power divider topologies: resistive, Wilkinson, and hybrid. (Image source: DigiKey)
Resistive dividers
The most common implementation of a power divider, the resistive, uses three equal value resistors, most commonly in a star configuration. Due to the device’s symmetry there is no designated input port—any port can be used as an input. The resistor values are one-third of the characteristic impedance the power divider is used with. In the case of a 50 Ω system the value is 16.67 Ω; for a 75 Ω system the resistance value is 25 Ω. As a group, resistive power dividers generally have the widest frequency bandwidth because there are no frequency dependent reactive components in their design.
The major advantage of the resistive divider is its simplicity; it is easy to implement at a minimum cost. It is also the smallest device. Its major disadvantage is power loss via the series resistors between output ports. These devices have a rated power specification. Most applications for the resistive power divider use relatively low power. Isolation provided by the resistors between ports is improved compared to the tee configuration.
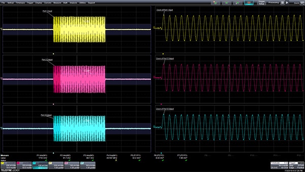
The signal amplitudes at the output ports of a resistive divider will be half that of the input signal level (Figure 4).
Figure 4: Comparing the input and the outputs of a resistive divider. The input signal is a 50 megahertz (MHz) sine burst with a root mean square (rms) amplitude of 179.5 millivolts (mV) (top left trace). Outputs (center and bottom left traces) have rms levels of 91.7 mV (-5.8 dB) and 88.7 mV (-6.1 dB). Note that the signals are all in phase, as expected. (Image source: DigiKey)
The trace in the upper left grid is the input signal, a 50 MHz sine burst with an rms level of 179.5 mV. The output levels in the center and bottom left grids are the output signals with rms levels of 91.7 mV and 88.7 mV, respectively. These are -5.8 dB and -6.1 dB below the input signal. The three traces to the right are horizontally expanded zoom traces allowing a detailed view. Note that the signals are all in phase, as expected.
An example of a resistive power divider is the Susumu PS2012GT2-R50-T1, a 50 Ω, two-port resistive power divider with a bandwidth of 20 gigahertz (GHz). It has a rated power dissipation of 125 milliwatts (mW) and an insertion loss of 6 ±0.5 decibels (dB), 3 dB of which is due to the power dissipated in the internal resistors. The device is housed in a surface mount package with dimensions of 2 x 1.25 x 0.4 millimeters (mm).
Wilkinson power dividers
The Wilkinson power divider is a reactive divider that uses two, parallel, uncoupled quarter-wavelength transmission line transformers. The use of transmission lines makes the Wilkinson divider easy to implement using standard printed circuit transmission lines. The length of the transmission lines generally limits the frequency range of the Wilkinson divider to frequencies above 500 MHz. The resistor between the output ports allows them to have matching impedances while still providing isolation. Because the output ports contain signals of the same amplitude and phase, there is no voltage across the resistor, so no current flows and the resistor does not dissipate any power.
The Anaren PD3150J5050S2HF is a two-port, 50 Ω, Wilkinson-type power divider covering a frequency range of 3.1 GHz to 5 GHz with a maximum power rating of 2 Ω. It has an insertion loss, excluding the 3 dB power reduction, of 1 dB (typical) and isolation of greater than 15 dB (typical). It has dimensions of 2.0 x 1.29 x 0.53 mm.
Hybrid power dividers
The hybrid power divider shown in Figure 3 is based on the use of transformers. Transformer T2 is center tapped forming an autotransformer with a 2:1 turns ratio. The impedance across the full output side is four times the impedance from center tap to ground. If the impedances at each output port (port 2 and port 3) is 50 Ω then the total load impedance is 100 Ω. This reflects back through the transformer to be 25 Ω at the center tap of T2. Matching this load to the input (port 1) requires transformer T1, which is a 25 Ω to 50 Ω impedance matching transformer.
When an input is applied to port 1, with ports 2 and 3 terminated with 50 Ω loads, it causes a current to be induced at ports 2 and 3 with a 180° phase shift. The currents through the resistor R, which is equal to the sum of the impedances of port 2 and port 3—100 Ω in this case—will be equal with opposite phases and will cancel. There is no voltage at port 2 from the signal at port 3 and vice versa. There is theoretically infinite isolation. Half of the input power will appear at each of the output ports.
The MACOM MAPD-009278-5T1000 is a hybrid power divider covering a frequency range from 5 MHz to 1 GHz. It is configured as a two-port zero-degree divider. Its insertion loss, excluding the 3 dB power reduction, is less than 1.4 dB. Isolation is specified as typically 20 dB. This divider can handle a maximum power level of 250 mW and has physical dimensions of 4.45 x 4.22 x 3 mm.
Active power dividers
Applications that require a lossless signal division can make use of active power dividers like the Analog Devices ADA4304-3ACPZ-R7. This is a 75 Ω, 3:1 power splitter with a built-in amplifier that can supply 3 dB of gain. It has a bandwidth of 2400 MHz intended for use over a frequency range of 54 to 865 MHz. Output-to-output isolation is better than 25 dB. The 75 Ω impedance and frequency range indicate that this divider is intended for television applications including multi-tuner set top boxes and cable ready televisions.
Of the devices described, resistive dividers are the simplest and have the widest possible bandwidth and generally the smallest size, but they have higher insertion loss and lower isolation. Wilkinson power dividers offer lower insertion and greater isolation but have more restricted bandwidth. Their physical size will vary with the specific frequency range required. The hybrid divider offers low insertion loss and good isolation but has a larger physical size. Active power splitters eliminate insertion loss but tend to be costlier.
Implementation considerations
While power combiners are very simple, they can still be the cause of problems if not applied correctly. For example, beware of DC offsets at the input. Hybrid combiners, which use transformers, do not do DC.
In resistive dividers the presence of DC can reduce their power rating. All the passive power combiners have symmetrical topologies and designers must maintain that symmetry when applying them. Loads must be matched and balanced. Using unmatched load impedances will result in unequal output levels.
In applications requiring fixed phase differences, like feeding a local oscillator to a quadrature modulator or demodulator, the output paths must be of equal length in order to prevent phase mismatch at the mixers.
Conclusion
The need to split or combine signals is essential in modern RF design in a variety of applications including IoT, digital communications, and automotive driver assistance. Power dividers/combiners serve this function. The options for designers needing to use a power divider break down into one the three power divider topologies, each having its own trade-offs. A fundamental knowledge of the characteristics of each topology will help designers select the appropriate power divider.
Disclaimer: The opinions, beliefs, and viewpoints expressed by the various authors and/or forum participants on this website do not necessarily reflect the opinions, beliefs, and viewpoints of DigiKey or official policies of DigiKey.

