HMC1057 Subharmonic I/Q Mixer
Analog Devices' HMC1057 subharmonic I/Q mixer is for use with RF and microwave applications
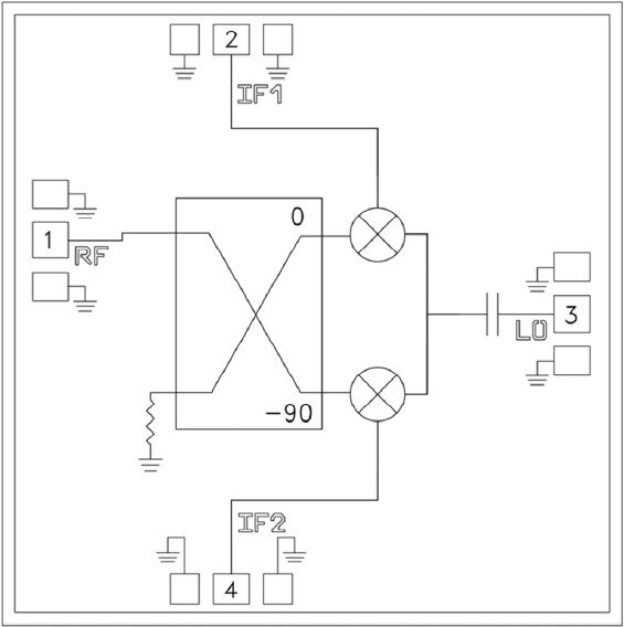
ADI's HMC1057 is a subharmonically pumped MMIC mixer which can be used as either an image reject mixer (IRM) or a single sideband upconverter. This passive MMIC mixer is fabricated with GaAs Schottky diode technology. For downconversion applications, an external quadrature hybrid can be used to select the desired sideband while rejecting image signals. All bond pads and the die backside are Ti/Au metallized and the Schottky devices are fully passivated for reliable operation. All data shown herein is measured with the chip in a 50 Ω environment and contacted with RF probes.
Subharmonic mixers are composed of a passive mixer with a subharmonically pumped (x 2) local oscillator. These mixers allow designers to use low LO frequency, which eases the need to generate a high frequency LO signal. For high frequency application design, Analog Devices subharmonic mixers offer a simpler alternative to traditional mixers with no LO multiplier.
- Passive: no DC bias required
- High input IP3: 13 dBm
- High LO/RF isolation: 30 dB
- High 2LO/RF isolation: 50 dB
- Wide IF bandwidth: DC to 12 GHz
- Upconversion and downconversion applications
- Die size: 1.74 mm x 1.73 mm x 0.1 mm
- Short haul / high capacity radios
- Test equipment and sensors
- Military end-use
- E-band communications systems
- Automotive radar
HMC1057 I/Q Mixer
| Image | Manufacturer Part Number | Description | Available Quantity | Price | View Details | |
|---|---|---|---|---|---|---|
![]() | ![]() | HMC1057-SX | IC MMIC IQ MIXER DIE | 2 - Immediate | $164.77 | View Details |
![]() | ![]() | HMC1057 | IC MMIC IQ MIXER DIE | 0 - Immediate | See Page for Pricing | View Details |




