Orders are typically delivered to Greece within 48 hours depending on location.
Free delivery to Greece on orders of 50 EUR or more. A delivery charge of 18 EUR will be billed on all orders less than 50 EUR.
UPS, FedEx or DHL freight pre-paid: CPT (Duty, customs, and VAT due at time of delivery)
Credit account for qualified institutions and businesses
Payment in Advance by Wire Transfer
![]()
![]()
![]()
![]()


More Products From Fully Authorized Partners
Average Time to Ship 1-3 Days, extra ship charges may apply. Please see product page, cart, and checkout for actual ship speed.
Incoterms: CPT (Duty, customs, and applicable VAT/Tax due at time of delivery)
For more information visit Help & Support
The Freedom development platform is a set of software and hardware tools for evaluation and development. It is ideal for rapid prototyping of microcontroller-based applications.
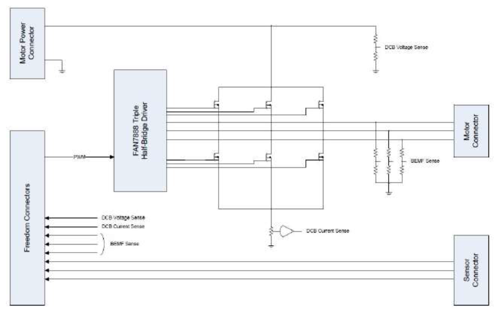
The FRDM-MC-LVPMSM low-voltage evaluation board, in a shield form factor, effectively turns a Freedom development platform into a complete motor control reference design, compatible with existing Freedom development platforms, FRDM-KV31F and FRDM-KV10Z, and the low cost motor FRDM-MCLVMTR.
The FRDM-MC-LVPMSM shield board implements a 3-phase Permanent Magnet Synchronous Motor (PMSM) interface platform that adds Field Oriented Control (FOC) motor control capabilities, such as rotational or linear motion, to your design applications.
| Manufacturer | NXP USA Inc. |
|---|---|
| Category | Motor Control |
| Eval Board Part Number | FRDM-MC-LVPMSM-ND |
| Eval Board Supplier | NXP USA Inc. |
| Eval Board |
Normally In Stock
|
| Voltage In |
24 ~ 48 V
|
| Number of Motors and Type |
1, 3-Ph PMSM Motor
|
| Power / Current Out |
5 A
|
| Features |
Hall Input
Reverse Polarity Protection Under Voltage Protection, Brown-Out |
| Component Count + Extras |
118 + 7
|
| Application / Target Market |
Motor Control
|
| Design Author |
NXP
|
| Main I.C. Base Part |
FAN7888
|
| Date Created By Author | 2016-02 |
| Date Added To Library | 2024-01 |
Co-Browse
By using the Co-Browse feature, you are agreeing to allow a support representative from DigiKey to view your browser remotely. When the Co-Browse window opens, give the session ID that is located in the toolbar to the representative.
DigiKey respects your right to privacy. For more information please see our Privacy Notice and Cookie Notice.
Yes, Continue to Co-BrowseGet fast and accurate answers from DigiKey's Technicians and Experienced Engineers on our TechForum.
Please visit the Help & Support area of our website to find information regarding ordering, shipping, delivery and more.
Registered users can track orders from their account dropdown, or click here. *Order Status may take 12 hours to update after initial order is placed.
Users can begin the returns process by starting with our Returns Page.
Quotes can be created by registered users in myLists.
Visit the Registration Page and enter the required information. You will receive an email confirmation when your registration is complete.
Orders are typically delivered to Greece within 48 hours depending on location.
Free delivery to Greece on orders of 50 EUR or more. A delivery charge of 18 EUR will be billed on all orders less than 50 EUR.
UPS, FedEx or DHL freight pre-paid: CPT (Duty, customs, and VAT due at time of delivery)
Credit account for qualified institutions and businesses
Payment in Advance by Wire Transfer
![]()
![]()
![]()
![]()


More Products From Fully Authorized Partners
Average Time to Ship 1-3 Days, extra ship charges may apply. Please see product page, cart, and checkout for actual ship speed.
Incoterms: CPT (Duty, customs, and applicable VAT/Tax due at time of delivery)
For more information visit Help & Support
Thank you!
Keep an eye on your inbox for news and updates from DigiKey!
Please enter an email address