Orders are typically delivered to Greece within 48 hours depending on location.
Free delivery to Greece on orders of 50 EUR or more. A delivery charge of 18 EUR will be billed on all orders less than 50 EUR.
UPS, FedEx or DHL freight pre-paid: CPT (Duty, customs, and VAT due at time of delivery)
Credit account for qualified institutions and businesses
Payment in Advance by Wire Transfer
![]()
![]()
![]()
![]()


More Products From Fully Authorized Partners
Average Time to Ship 1-3 Days, extra ship charges may apply. Please see product page, cart, and checkout for actual ship speed.
Incoterms: CPT (Duty, customs, and applicable VAT/Tax due at time of delivery)
For more information visit Help & Support
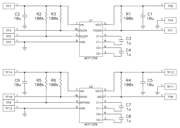
The MCP1256/7/8/9 Charge Pump Evaluation Board is an evaluation and demonstration tool for Microchip Technology’s MCP1256/7/8/9 Regulated 3.3V, Low-Ripple Charge Pumps with low-operating current SLEEP mode or BYPASS mode. The design provides for dynamic versatility.
The MCP1256/7/8/9 Charge Pump Evaluation Board is setup to evaluate simple, stand-alone, DC-to-DC conversion. Two evaluation circuits are provided, demonstrating the versatility of the MCP1256/7/8/9 device family. One evaluation circuit utilizes the MCP1256, demonstrating the SLEEP mode feature along with a power good indication. The other evaluation circuit utilizes the MCP1259, demonstrating the unique BYPASS mode feature, along with a low battery indication.
When connected, the MCP1256/7/8/9 devices can be evaluated in a variety of applications.
| Manufacturer | Microchip Technology |
|---|---|
| Category | AC/DC and DC/DC Conversion |
| Sub-Category | DC/DC SMPS - Single Output |
| Eval Board Part Number | MCP1256/7/8/9EV-ND |
| Eval Board Supplier | Microchip Technology |
| Eval Board |
Normally In Stock
|
| Topology |
Step Up/Down
Switch Cap, Charge Pump |
| Outputs and Type |
1 Non-Isolated
|
| Voltage Out: Factory Set |
3.3 V
|
| Current Out |
100 mA
|
| Voltage In |
1.8 ~ 3.6 V
|
| Efficiency @ Conditions |
>84%, 1.8V in, 3.3V @ 10 ~ 50 mA
>76%, 2.8V in, 3.3V @ 50 ~ 100 mA |
| Voltage Out Range |
- Fixed
|
| Features |
Electrolytic Free
Light Load Mode Power Good Output Short Circuit Protection Shutdown, Enable, Standby Soft Start Thermal Protection |
| Switching Frequency |
650 kHz
|
| Standby Current [Typical] |
250 nA
|
| Quiescent Current [Typical] |
1.4 mA
|
| Component Count + Extras |
7 + 7
|
| Internal Switch |
Yes
|
| Design Author |
Microchip Technology
|
| Application / Target Market |
Portable Devices
|
| Standby Current [Maximum] |
2 µA
|
| Quiescent Current [Maximum] |
2.3 mA
|
| Main I.C. Base Part |
MCP1256
|
| Date Created By Author | 2006-02 |
| Date Added To Library | 2012-10 |
Co-Browse
By using the Co-Browse feature, you are agreeing to allow a support representative from DigiKey to view your browser remotely. When the Co-Browse window opens, give the session ID that is located in the toolbar to the representative.
DigiKey respects your right to privacy. For more information please see our Privacy Notice and Cookie Notice.
Yes, Continue to Co-BrowseGet fast and accurate answers from DigiKey's Technicians and Experienced Engineers on our TechForum.
Please visit the Help & Support area of our website to find information regarding ordering, shipping, delivery and more.
Registered users can track orders from their account dropdown, or click here. *Order Status may take 12 hours to update after initial order is placed.
Users can begin the returns process by starting with our Returns Page.
Quotes can be created by registered users in myLists.
Visit the Registration Page and enter the required information. You will receive an email confirmation when your registration is complete.
Orders are typically delivered to Greece within 48 hours depending on location.
Free delivery to Greece on orders of 50 EUR or more. A delivery charge of 18 EUR will be billed on all orders less than 50 EUR.
UPS, FedEx or DHL freight pre-paid: CPT (Duty, customs, and VAT due at time of delivery)
Credit account for qualified institutions and businesses
Payment in Advance by Wire Transfer
![]()
![]()
![]()
![]()


More Products From Fully Authorized Partners
Average Time to Ship 1-3 Days, extra ship charges may apply. Please see product page, cart, and checkout for actual ship speed.
Incoterms: CPT (Duty, customs, and applicable VAT/Tax due at time of delivery)
For more information visit Help & Support
Thank you!
Keep an eye on your inbox for news and updates from DigiKey!
Please enter an email address