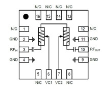
MAAV-011013 Voltage Variable Attenuator
MACOM's MAAV-011013 voltage variable attenuator with a broadband nature of 5 GHz to 45 GHz
MACOM's MAAV-011013 is a low loss/high dynamic range voltage variable attenuator (VVA) with analog control. With a low insertion loss (1.5 dB at 20 GHz) and greater than 30 dB of attenuation it is ideal in designs where an analog DC control signal must be used to control RF signal levels over a large dynamic range.
Excellent linearity (30 dBm IIP3) is maintained over the full attenuation range, improving system performance and giving the device the ability to withstand rugged conditions as well as having almost no errors with signal transmission.
The broadband nature (5 GHz to 45 GHz) of the MAAV-011013 makes it suitable for many applications. It is ROHS compliant and is available in a small lead-free 3 mm, 16-lead QFN plastic package.
- 5 GHz to 45 GHz frequency range
- >30 dB attenuation range
- 1.5 dB insertion loss at 20 GHz
- High linearity, 30 dBm IIP3
- Lead-free 3 mm, 16-lead QFN package
- RoHS compliant
- Wireless backhaul
- VSAT
- Test and measurement
- 5G transceivers
- Wireless infrastructure
- Aerospace and defense
MAAV-011013 Voltage Variable Attenuator
| Image | Manufacturer Part Number | Description | Available Quantity | Price | View Details | |
|---|---|---|---|---|---|---|
![]() | ![]() | MAAV-011013 | RF ATTENUATOR 36DB 50OHM 16VFQFN | 0 - Immediate | See Page for Pricing | View Details |





