What is an Active Rail Probe and How Do I Use It?
Power supply bus voltages for high-speed computers and handheld portable devices are falling. Historically, 5 volt supply rails operated with a ±5% tolerance, while today’s low-voltage processors require much tighter tolerances on the order of ±1%. As a result, a 1.1 volt bus has a tolerance of ±11 millivolts (mV). Ensuring the integrity of these power distribution networks (PDNs) requires new measurement tools.
PDNs are common to any devices needing power, as noise, crosstalk, or load-change transients on power rails propagate throughout the system. These spurious signals can cause a host of other problems, such as timing jitter. Therefore, it is important to measure and evaluate not only the DC voltage, but also the noise, ripple, and crosstalk on a power rail.
This requires looking at signals with a range of millivolts on power rails with DC levels of 1 volt or greater. Therein lies the problem. A typical oscilloscope set to its 5-mV range can only compensate for an offset of ±300 mV. This means that even a 1 volt power bus appears off the screen. Of course, using a higher vertical sensitivity, like 200 mV, increases the offset range to ±3 volts, but the noise and ripple—assuming it is less than the voltage tolerance of 11 mV—is almost invisible. This is where you can put an active power rail probe to use.
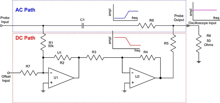
Power rail probes like Teledyne LeCroy’s RP4030 attack this problem in several ways. First, they offer attenuation ranges that are close to 1:1 so as not to attenuate these already small target signals. Next, they prevent power loading by splitting the signal path into DC and AC paths, each with its own input impedance (Figure 1).
Figure 1: A simplified functional diagram of a typical power rail probe showing the parallel AC and DC paths along with their frequency response plots. (Image source: DigiKey)
The DC path offers a DC resistance of 50 kiloohms (kΩ). The AC path capacitively couples the signal. The DC path has a low-pass frequency response, while the AC path has a high-pass frequency response. The paths are summed at the probe output and operate into the oscilloscope’s 50 Ω input termination, yielding a flat frequency response. Operating into the 50 Ω scope input offers the lowest noise contribution and highest bandwidth from the oscilloscope. The bandwidth of the probes is 4 gigahertz (GHz), which allows measurement of a broad range of spurious signals. Finally, the rail probes provide a very wide, high-precision offset voltage, typically in the range of ±30 volts.
Example use of an active probe
Let’s look at a typical measurement, as shown in Figure 2. This is a measurement of periodic and random deviation (PARD) on a 1.1 volt bus. PARD is a common, industry-wide term that is a measure of the deviation of the instantaneous bus voltage from its average or mean values. Deviations can include periodic signals, random noise, and crosstalk. PARD is usually measured as a peak-to-peak value.
In Figure 2, the peak-to-peak measurement parameter reads the PARD values as 7.5 mV. This includes periodic, random, and some narrow spike components. PARD does not include slow variations in the bus voltage below 20 Hz, which is referred to as drift. The rail probe provides the offset, shown in the Figure as -1.1 volts in the C1 annotation box (lower-left corner, yellow box). The rail probe used in this example has an offset range of ±30 volts. This allows the signal to be measured using the 2 mV per division (mv/div) vertical scale, which only has a ±300 mV range without the probe.
Figure 2: PARD measurements at a vertical sensitivity of 2 mV per division. It shows random, periodic, and crosstalk components with a peak-to-peak value of 7.5 mV on a 1.1 volt rail. (Image source: DigiKey)
Power rail probes also include several interconnection accessories to make these measurements easier, such as a browser for manual probing on circuit boards and a solder-in cable. The solder-in cable provides the highest bandwidth, while the browser provides a lower bandwidth.
Conclusion
Power integrity measurements are getting more difficult as supply voltages drop, but as shown, active power rail probes can help. These probes eliminate the loss of dynamic range that usually occurs when a small voltage has to be measured on a much higher DC voltage.
Have questions or comments? Continue the conversation on TechForum, DigiKey's online community and technical resource.
Visit TechForum

