How to Read a Schematic
A schematic is a roadmap to the creation of any electronic project. Without it, finding your way to the finished product can be quite interesting and occasionally even scary. Schematics not only display the components, labels, and electrical connections of a circuit, but also help to standardize the display of a circuit. Using standardized symbols makes it easier for others to help when troubleshooting a complex design.
When reading or creating a schematic there are multiple conformities to be aware of. Imagine if everyone used different symbols and standards how messy and difficult to understand that would be.
Below is an example schematic of a light theremin. How can we tell? The use of standardized schematic symbols and connections.

For more information on common schematic symbols, click here.
Let’s say we didn’t know one of these symbols, a schematic will typically have some sort of label or annotation describing the part which helps to decipher what the component may be.
The example schematic above has one component that deserves a deeper look. The 555 timer is shown here as the physical IC (integrated circuit) rather than as a symbol. That is not typically how they are displayed. The two examples below are more accurate for how an IC would appear in a schematic. The example on the left displays only the pins as their function, but without pin numbers. In this case we would need to refer back to the datasheet for that specific IC to determine the layout. The example on the right shows the pin’s function and number, but they are randomly placed around the symbol, differing from their actual placement on the physical IC.

Now referring back to the original schematic, let’s look at how the connections are displayed.

The lines connecting each component are referred to as nets and represent a conductive path. An example of a conductive path would be wire or circuit board traces. The filled-in circles/dots where the conductive paths overlap indicate connections, while the arches indicate no connection is made. On occasion a schematic will have two conductive paths shown overlapping with no dot or arch, this is to be read as no connection made.
Another key item to note is polarity. The 100 µF capacitor in the schematic above is polarized, meaning the component must be placed in the proper direction. Flipping the component so that the leads are opposite of how they are shown in the schematic could cause catastrophic failure to the part and/or circuit. Another type of component to watch for are diodes, such as LEDs. Always be aware of part polarity where applicable.
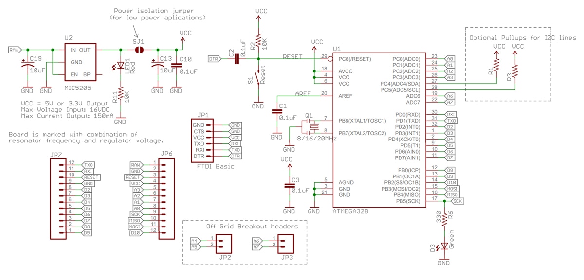
Below is a larger, more complex schematic that shows some of its connections using net labels (sometimes called ports). The net labels with corresponding text indicate electrical connections without actually displaying the conductive path. This is done in larger schematics to save space and make them easier to read. Another example of when this technique is implemented is when schematics are so large that they span more than one page. This is the best, most logical way to represent connected nets in that scenario.
A great way to learn about schematics is by simply diving in and creating one. Here at DigiKey we offer tools for every step in the design process. Take a look at the variety of tools here: https://www.digikey.com/en/resources/design-tools/design-tools and find one to suit all of your design needs.
Have questions or comments? Continue the conversation on TechForum, DigiKey's online community and technical resource.
Visit TechForum


