Wearable Technology is Creating the Internet of Us
Contributed By DigiKey's European Editors
2016-04-27
To be truly helpful, technology has to be transparent to the user; for drivers, the actual act of driving can quickly become semi-autonomous in a way that allows the person in control of the vehicle to coordinate many different tasks at the same time, such as observing their surroundings, identifying potential hazards and adjusting the vehicle’s speed and direction to compensate if necessary. It is entirely appropriate to view a vehicle as technology but really there are two distinct aspects to a vehicle; the part that generates motion and the part that controls that motion. Originally both parts were mechanical, but today it is the electronic control units that are responsible for the control; abstracting us, the driver, away from the still predominantly mechanical process that generates motion.
In the same way, wearable technology needs to be transparent to the user, and while it isn't expected to provide the same function as a vehicle, it will become an integral part of our everyday lives; and it will achieve that by fitting in with the way we live them today, rather than imposing change upon us.
This contrasts with much of the wearable technology now being developed, which is intended to encourage us to change our lifestyles, most obviously through fitness and health aids that measure the way we exercise, our general activity and even our sleep patterns. By measuring and analyzing our every move we will be better able to make positive changes to our lifestyles. Today, that is largely restricted to physical activity but in the future it will likely extend to what we eat, drink and, perhaps, what we watch and listen to. In fact, everything that we generally consume has a measurable impact on our well being and as wearable technology develops it will undoubtedly extend to include every aspect of our waking and sleeping lives.
Don't Panic!
If all that sounds a little too dystopian, let’s not forget that a smartphone — one of the most prolific forms of advanced technology in circulation today — is already capable of recording a lot of our activity. The data this generates is invaluable; luckily it also belongs to the smartphone owner and shouldn’t be accessible without permission, but the fact that it exists is already creating new applications and markets for data. This is only going to continue when it becomes possible and more feasible to record even more data about an individual through the use of wearable technology.
Today there are companies creating solutions that enable activity levels to be measured and use that data to monitor general levels of health as well as existing medical conditions; but in the very near future that same data will be used to predict potential conditions, and through sharing that data it will allow health professionals to hone the algorithms used to make those predictions, allowing more accurate and earlier diagnoses.
This is the kind of wearable technology that could generate valuable data that could positively impact the lives of millions of people, not just the individual, and at that point wearable technology will have reached a new phase in its evolution. The earlier example depicts how electronics has allowed the automobile to evolve and abstract us away from the underlying mechanics. In the same way, electronics is enabling wearable technology to do the same. The most notable example is the continued integration between sensors and controllers, which are becoming smaller and more capable at a rapid pace. Perhaps the single most important aspect enabling this increased integration is MEMS technology, which is now used extensively to create motion sensors including gyroscopes, magnetometers and accelerometers. When all of these aspects are brought together in a single device they are referred to as 9-axis sensors and by adding digital processing the result can be a fully-integrated device applicable to a widening range of wearable technologies.
One example of a highly-integrated 9-axis sensor is the MotionTracking range from InvenSense, which includes the MPU-9250 multi-chip module comprising one die featuring a 3-axis gyroscope and 3-axis accelerometer, and another die featuring a 3-axis magnetometer (see Figure 1 for the block diagram). It also features a Digital Motion Processor and the entire device is offered in a 3 mm2 package measuring just 1 mm high. This makes it truly wearable and applicable to many of today’s applications such as fitness monitors, but it could equally be used in advanced applications used to detect, analyze and record any form of movement.

Figure 1: Block Diagram of the MotionTracking 9-Axis sensor MPU-9250 from InvenSense
Each of the three sensors is serviced by three dedicated 16-bit Analog-Digital Converters (ADCs) and the device is accessed and controlled through an I2C or SPI interface (the SPI interface is capable of providing access to the sensor and interrupt registers at 20 MHz, for applications that require a fast response).
InvenSense employs wafer-level bonding to bring the CMOS MEMS and digital control die together in a single QFN package. The gyroscope and accelerometer sensors offer programmable full-scale range and an auxiliary master I2C bus is also included to allow the device to access data from external sensors, such as a pressure sensor. A digital-output temperature sensor is also integrated and the device includes programmable digital filters for the gyroscope, accelerometer and temperature sensors.
As motion can often be slow, in comparison with a microprocessor, the device supports low-power modes that allow it to sustain features like gesture recognition and pedometer functions while the processor remains in sleep mode, thereby preserving system power.
The demand for lower power
A key element of the technology that will empower the next wave of wearable technology will be power, or rather the ability to function while consuming very low levels of power. Battery technology is advancing almost as quickly as circuit integration and there are now examples of ultra-thin, flexible batteries that can be made in almost any size and shape, while still delivering relatively high levels of power. However, the fact remains that one of the largest components in any piece of wearable technology is and will remain the battery, at least for a while.
The concept of harvested energy or scavenged power from ambient factors such as heat, movement or sunlight will undoubtedly develop and become an important element of wearable technology, but the amount of energy that can be harvested in this way is always going to be comparatively small. In order for energy harvesting to have a real impact on wearable technology, therefore, the integrated solutions targeting this application space need to deliver more for less. There are a growing number of examples of this already in volume production.
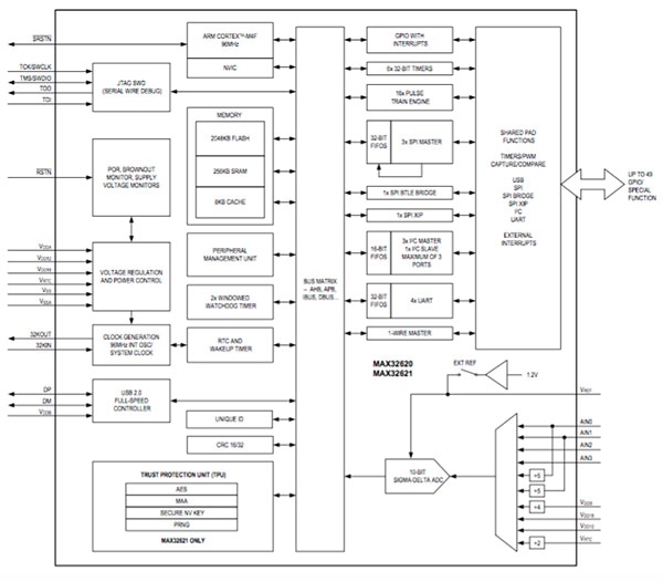
One example is the MAX32620/1 from Maxim Integrated, which is described as a high-performance, ultra-low-power ARM Cortex®-M4F-based microcontroller targeting rechargeable devices including sport watches, fitness monitors, wearable medical patches, portable medical devices and sensor hubs. Its active power when executing from Flash is 96 μA/MHz, which falls to just 600 nA in low power with the Real-Time Clock enabled (see Figure 2 for the block diagram).
Figure 2: Block Diagram of Maxim Integrated’s MAX32620/1 (Click here to view the full-size image.)
A key feature of this device is its Peripheral Management Unit (PMU), which is a dedicated processing engine capable of servicing peripherals on the advanced peripheral bus (APB) and advanced high-performance bus (AHB) while the main CPU remains in a sleep state. This technique is now being adopted by a number of manufacturers to deliver lower power operation in event-triggered applications. The PMU has six independent channels that can operate in parallel, has its own dedicated opcodes that mean it can be programmed through the SRAM, and its actions can be initiated from interrupt conditions generated directly by the peripherals.
The smaller, the better
Crucially, for wearable applications, the MAX32620/1 is packaged in an 81 ball Wafer-Level Package measuring less than 4 mm on each side, with a ball pitch of just 0.4 mm. However, even higher integration in a smaller package is possible; a major part of wearable technology will be connectivity, and in applications that are designed to be ‘invisible’ that means wireless connectivity, or more specifically, Bluetooth.
Bluetooth Low Energy (BLE) is rapidly becoming the standard for devices that will comprise part of a Personal Area Network such as wearable technology, not least because it allows them to easily communicate with a smartphone in order to share the large amount of data that may be generating. The PSoC 4xx7_BLE family from Cypress Semiconductor integrates an ARM Cortex®-M0+ core with a BLE sub-system and the company’s own programmable logic technology, as well as a range of analog and mixed-signal capability (see Figure 3 for the block diagram).

Figure 3: Block Diagram of Cypress Semiconductor’s PSoC 4xx7_BLE
The device also features an LCD controller capable of driving four commons and 32 segments, and Cypress’ CapSense® technology, which can be assigned to any GPIO pin that is under software control.
It can be powered from a supply ranging between 1.7 and 5.5 V and supports a number of sleep modes, which can promote longer battery life depending on the application’s requirements. In Hibernate Mode, for example, supply current drawn drops to just 150 nA while still preserving the contents of the RAM.
For applications that require this level of functionality and communications, the PSoC 4 is available in a 68 ball Thin WLCSP (wafer-level chip scale packaging) measuring just 3.52 mm x 3.91 mm x 0.4 mm, with a 0.4 mm ball pitch.
Conclusion
Wearable technology isn’t new; the very first watch to be worn on the wrist instead of as a fob was, arguably, the earliest example of this category over a hundred years ago. Currently back in vogue for different reasons, much of today’s wearable technology is still being designed for the wrist but focused more on aiding the wearer in some way; predominantly as fitness monitors but this is rapidly turning into something more akin to the smartphone.
However, like the original wristwatch, these too could be seen as largely one-way data delivery devices, as the interaction is still based on telling the wearer something they need (or would like) to know, such as their heart rate, or that a new message has arrived. The next wave of wearables will take this interaction to a new level; where the person wearing the device(s) will become an integral part of the overall network, by becoming a center for data creation. It could be hypothesized that this will turn the Internet of Things into the Internet of Us.
Disclaimer: The opinions, beliefs, and viewpoints expressed by the various authors and/or forum participants on this website do not necessarily reflect the opinions, beliefs, and viewpoints of DigiKey or official policies of DigiKey.



