Efficiently Delivering High-Integrity Power to Critical Loads with Minimal Impact on Board Space
Contributed By DigiKey's North American Editors
2021-11-16
Big data servers, as well as applications such as machine learning, artificial intelligence (AI), 5G cells, IoT and enterprise computing, often require powerful ASICs, FPGAs, GPUs, and CPUs that demand high currents at low voltages, and high-power density in compact footprints. To ensure overall system power integrity, distributed power management systems are being employed that bring DC/DC power sources right to the point-of-load (POL), i.e., the high-performance processors. There can be many such DC/DC power converters on a single board, so the problem designers face is making these devices as small as possible to save board space. At the same time, they need to meet the performance, latency, thermal, efficiency, and reliability requirements, while also simplifying the design process and keeping costs down.
The solution to this matrix of problems combines high-performance semiconductors and passive components using advanced packaging technologies to realize higher levels of system integration. This has been shown to achieve smaller size at a lower profile compared to other currently available technologies while enhancing thermal management. At the same, the integrated approach keeps a rein on design-in costs, including inventory management and development time.
This article discusses the need for distributed power networks and the role of POL power devices. It then introduces a class of POL DC/DC converters from TDK Corporation that use advanced packaging techniques to achieve the required performance characteristics. The article also discusses their salient attributes and shows how designers can deploy them to successfully meet their POL power-delivery requirements.
Why POL DC/DC converter power sources
Computers, servers, and other digital equipment increasingly use FPGAs, ASICs, and other advanced IC devices which require multiple power supply voltages that are not available from the system power supply. Additionally, they require those voltages in the correct ordered sequence with minimal latency. System power supplies generally provide a number of fixed voltages like 1, 3.3, and 5 volts. A typical FPGA requires voltages in the range of 1.2 to 2.5 volts (Figure 1).
Figure 1: A typical FPGA requires multiple voltages dedicated to specific functions within the processor. The processor shown uses eight dedicated power inputs utilizing three different voltages. (Image source: Art Pini)
At minimum, an FPGA requires separate supplies for its core and I/O sections. The FPGA in the example runs with the core at 1.2 volts and the I/O functions at 2.5 volts. In addition, it requires six other power levels for its auxiliary circuits. It is obvious that having seven power sources placed in close proximity to the FPGA puts a burden on pc board layout design. There is also the issue of heat dissipation to be considered, making it necessary for the power sources to be small and efficient.
Patented technology achieves unique system integration
To meet the size requirement, TDK developed a proprietary design for POL DC/DC converters that foregoes side-by-side discrete component layout. Instead, it uses 3D integration based upon its Semiconductor Embedded in SUBstrate (SESUB) system-in-package (SiP) technology. High-performance semiconductors incorporating a pulse width modulation (PWM) controller and MOSFETs are embedded within the 250 micrometer (µm) pc board substrate, forming a step-down (buck) converter. The circuit output inductor and capacitors are also integrated into the 3D layout creating an ultra-compact, thermally enhanced package (Figure 2).
Figure 2: Patented SESUB technology integrates an advanced power controller IC and MOSFETs into a 250 mm substrate, along with the circuit output inductor and capacitors to form a highly integrated DC/DC converter module. (Image source: TDK Corporation)
A unique POL power solution
TDK has SESUB as the foundation of its μPOL (pronounced “micro-POL”) line of miniature DC/DC power modules. Designated as models FS140x-xxxx-xx, the product family comes in 19 selections with output voltage levels of 5, 3.3, 2.5, 1.8, 1.5, 1.2, 1.1, 1.05, 1, 0.9, 0.8, 0.75, 0.7, and 0.6 volts. They support continuous load currents of from 3 to 6 amperes (A) depending on the model and come in a package measuring 3.3 x 3.3 x 1.5 millimeters (mm) (Figure 3).
Figure 3: The μPOL DC/DC converter is only 3.3 x 3.3 x 1.5 mm, yet can handle up to 15 watts. (Image source: TDK Corporation)
Due to their unique physical design, this DC/DC converter family can deliver a power density of up to 1 watt per mm3, allowing this small package to handle up to 15 watts.
Nominal output voltages are factory set to within ±0.5%. An I²C interface is included which permits local control of the converter. Output voltages can be trimmed in ±5 millivolt (mV) steps about the preset nominal voltage.
A look inside an FS1406 μPOL converter
The functional block diagram of the FS1406-1800-AL 1.8-volt DC/DC converter shows that despite its diminutive size, the device is packed with a lot of sophisticated circuit functions (Figure 4).
Figure 4: The functional block diagram of the FS1406-1800-AL DC/DC converter showing the scale of circuit sophistication, including the internal PWM, I²C port, control logic, and output MOSFETs. (Image source: TDK Corporation)
The FS1406-1800-AL has a nominal output of 1.8 volts and a continuous load capability of 6 A. Its output voltage is I²C programmable from 0.6 to 2.5 volts. It requires an input voltage of 4.5 to 16 volts and has a specified operating temperature range from -40°C to +125°C.
The heart of this DC/DC converter is the proprietary PWM modulator designed to give a fast, transient response. The PWM modulator operates at a switching frequency proportional to the converter’s output voltage. It includes internal stability compensation which matches it to a variety of output capacitor types without the need for external compensation networks, making it ‘plug-and-play’. The PWM output of the modulator drives the gate circuit for the MOSFET power devices. The output filter inductor, as mentioned, is included within the package, further minimizing external components.
Note that the FS1406 includes an internal low dropout (LDO) voltage regulator that runs at about 5.2 volts to power the internal circuitry and the MOSFETs.
Also, designers should take note of the built-in protection features which include soft-start protection, a ‘Power Good’ status line, over-voltage protection, pre-biased start-up, thermal shut-down with auto-recovery, and thermally compensated overcurrent protection with hiccup mode. Hiccup mode shuts off the power supply for a fixed time period if an overcurrent event is detected and repeats the sequence until the fault is removed.
The I²C interface is used to set the output voltage. It also allows the setting of the system optimization parameters, including those for the startup and protection functions.
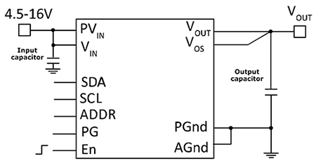
Typical application
The FS1406 family is fully integrated and is factory trimmed to its specified target voltage, eliminating the need for an output voltage divider. The design does require the addition of a minimal output capacitance to ensure acceptable output ripple and load regulation. It also requires an input capacitor in order to handle its input current requirement. The minimum circuit component additions required are shown in Figure 5.
Figure 5: In a typical application, the FS1406 μPOL DC/DC converter family requires, at minimum, only the addition of the input and output capacitors. (Image source: TDK Corporation)
The input and output capacitors should have a low equivalent series resistance. Multi-layer ceramic capacitors are recommended. The FS1406 datasheet provides detailed guidance on the calculation of both the input and output capacitance values.
Evaluation boards help designers to get started
The evaluation board for the 1.8-volt version of the μPOL converter is the EV1406-1800A which provides a design for a DC/DC converter with a 1.8-volt output and a 12-volt input source. It supplies from 0 to 6 A of output current and measures 63 x 84 x 1.5 mm (Figure 6).
Figure 6: The EV1406-1800A evaluation board measures 63 x 84 x 1.5 mm; the μPOL DC/DC converter is highlighted in yellow, giving some perspective on its diminutive size. (Image source: TDK Corporation)
The size and power-delivery capability of the µPOL makes it possible for several of these devices to easily fit around an FPGA or ASIC. The evaluation board, in addition to providing a design example, has open through-hole component locations for user experimentation with the input and output capacitance values. It also has a header for selecting either the FS1406-1800 internal bias supply or an external voltage source. Another header provides easy access to the I²C interface.
The I²C programming dongle
As a design aid, TDK offers the TDK-MICRO-POL-DONGLE I²C programming board which is used to vary the output voltage in ±5 mV steps. It also allows programming of the system protection parameters. The dongle works with a free TDK supplied GUI software package, making it easy to adjust the converter.
Conclusion
For designers requiring reliable, high-integrity POL power delivery with minimal impact on board space, the TDK mPOL line of 19 DC/DC converters provide a suitable solution across a wide variety of applications. The family supports fourteen common output voltage levels, with each being adjustable in ±5 mV steps using an I²C port. The µPOL’s unique, patented SESUB based construction provides high power density with minimal support components.
Disclaimer: The opinions, beliefs, and viewpoints expressed by the various authors and/or forum participants on this website do not necessarily reflect the opinions, beliefs, and viewpoints of DigiKey or official policies of DigiKey.




